概述
基本特點:該類型產品是在原有的電動執行器內部安裝了大容量的鋰電池和相應的控制電路,目的是當外部電源斷電時或電纜線因事故斷開時,執行器不但可以按事先設定好的方案關閉閥門或打開閥門,而且還可以繼續以電動方式操作五次以上,以防止事故的發生。
外部電源斷電時:不用做任何切換即可在原有電器控制柜上對現場的電動執行器進行五次以上的電動操作。也可在現場利用現場操作旋鈕對電動執行器進行五次以上的電動操作。
電纜線斷開造成外部電源和控制線路同時中斷時:可在現場利用現場操作旋鈕對電動執行器進行五次以上的電動操作。開關型的還可利用斷電纜中的兩根控制線(事先用顏色確定)采用短接和開路的簡單方式對電動閥門進行五次以上的電動操作,若此開關型為不帶扭矩信號輸出的,還可利用斷電纜中線頭全部短接和開路的簡單方式對電動閥門進行五次以上的電動操作。
不論是外部電源斷電還是電纜線斷線時,在電動閥門一端的電器和電纜線中只有DC24V的電壓存在,而且短路電流不超過200mA,所以不會對人體造成傷害,也不會因為短路引起火災及其他危害。
蓄電型電動執行器中的鋰電池可以自動通過外部電源進行反復充電,可靠性高,使用壽命長。
蓄電型閥門有普通型、戶外型、潛水型,如果客戶有特殊要求時,我們還可以根據客戶需求定制特種類型的電動執行器。
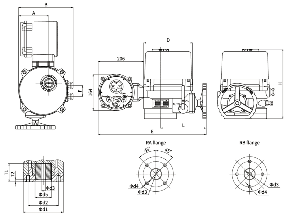
外形尺寸圖(mm)

型號 | 法蘭 | A | B | D | E | F | L | H | T1 | T2 | φd1 | φd2 | φd3 | φd4 | φd5 | |
LQ1-6/10ZL | RA | F05 | 90.5 | 182.5 | φ157 | 421 | 46 | 167 | 229 | 42 | 3 | φ92 | φ50 | 11×11 | 4-M6 深 12 | φ39 |
F07 | φ70 | 4-M8 深 12 | ||||||||||||||
RB | 2".3" | φ57.15 | 4-M6 深 12 | |||||||||||||
LQ2-16/20/24ZL | RA | F07 | 126.5 | 232 | φ206 | 479 | 50 | 197 | 261 | 49 | 3 | φ132 | φ70 | 14×14 | 4-M8 深 15 | φ48.5 |
F10 | φ102 | 4-M10 深 15 | ||||||||||||||
RB | 2".3" | φ69.85 | 4-M10 深 15 | |||||||||||||
LQ3-35/50ZL | RA | F10 | 136.5 | 247 | φ222 | 490 | 50 | 208 | 315 | 51 | 5 | φ146 | φ102 | 14×14 | 4-M10 深 15 | φ48.5 |
F12 | φ125 | 4-M12 深 15 | ||||||||||||||
RB | 2".3" | φ88.9 | 4-M12 深 15 | |||||||||||||
LQ4-80/110ZL | RA | F12 | 166 | 287 | φ262 | 527 | 50 | 230 | 352.5 | 62 | 7 | φ176 | φ125 | 22×22 | 4-M12 深 18 | φ90 |
F14 | φ140 | 4-M16 深 25 | ||||||||||||||
RB | 2".3" | φ107.95 | 4-M12 深 20 | |||||||||||||
LQ4JS-200/250ZL | RA | F14 | 166 | 287 | φ262 | 527 | 50 | 230 | 456.5 | 75 | 7 | φ215 | φ140 | 27×27 | 4-M16 深 25 | φ118 |
F16 | φ165 | 4-M20 深 25 | ||||||||||||||
RB | 2".3" | φ158.75 | 4-M18 深 25 | |||||||||||||
LQ4JS-300ZL | RA | F16 | 166 | 287 | φ262 | 527 | 50 | 230 | 536.5 | 118 | 8 | φ350 | φ165 | φ0 | 4-M20 深 25 | φ118 |
F25 | φ254 | 4-M16 深 30 | φ150 | |||||||||||||
LQ4JS-400/600ZL | RA | F16 | 166 | 287 | φ262 | 527 | 50 | 230 | 574.5 | 118 | 8 | φ350 | φ165 | φ0 | 4-M20 深 25 | φ150 |
F25 | φ254 | 4-M16 深 30 | ||||||||||||||
F30 | φ298 | 4-M20 深 35 | ||||||||||||||