ZXEx防爆閥門電動裝置是我公司新開發的一種超小型防爆電氣設備。用于蝶閥、球閥、旋塞閥和空氣閥等做角行程操作,控制閥門的開啟、關閉或調節閥門的開度。
廣泛應用于煤炭、石油、冶金、化工、食品加工、軍工等工業部門的生產、運輸、儲存等會產生爆炸性物質的場所。
概述
ZXEx防爆閥門電動裝置是我公司新開發的一種超小型防爆電氣設備。用于蝶閥、球閥、旋塞閥和空氣閥等做角行程操作,控制閥門的開啟、關閉或調節閥門的開度。
廣泛應用于煤炭、石油、冶金、化工、食品加工、軍工等工業部門的生產、運輸、儲存等會產生爆炸物質的場所。
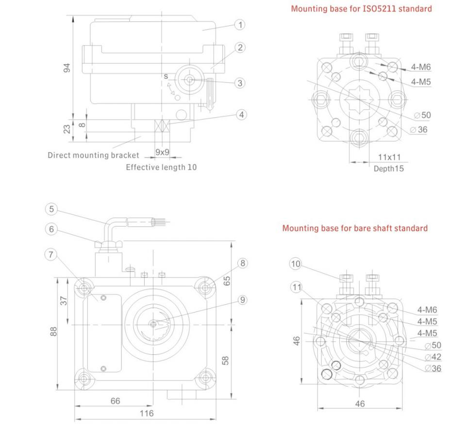
各部門的外觀和名稱


技術參數
噴涂 | ZXEx-02D | ZXEx-02S | ZXEx-02A | ||||
項目 | 參數 | ||||||
電壓 | DC12V;DC24V | AC24V;AC100~240V | DC24V;AC100~240V | ||||
輸出扭矩 | 18N·m | 24N·m | |||||
工作時間 | 20s | 20s | |||||
電機功率 | 4.6W | 6.8W | |||||
額定電流 | 18N·m | 0.25(24VDC/AC);0.45A(DC12V);0.08A(AC100~240V) | |||||
24N·m | 0.42(24VDC/AC);0.79A(DC12V);0.11A(AC100~240V) | ||||||
靜態電流 | / | ≤20mA | ≤25mA | ||||
旋轉角度 | 0-90° | ||||||
控制方法 | 全開 完全關閉 | 全開 完全關閉 | 4-20mA/0~10VDC | ||||
反饋信號 | 全開無源觸點信號。全閉無源觸點信號 | 全開無源觸點信號。全閉無源觸點信號 | 4-20mA/0~10VDC | ||||
指標 | 帶箭頭 | 全開紅色 LED 箭頭全關 | 帶箭頭 | ||||
外殼保護 | IP65 | ||||||
基本錯誤 | 1% | ||||||
阻力 | ≥100MΩ | ||||||
抵抗力 | 500VAC/1min(12V、24V) 1500VAC/1min(100~240V) | ||||||
接線 | 7×0.3mm2 1M 電纜 | ||||||
保護裝置 | 機械限位開關 | ||||||
安裝角度 | 360° 全方位 | ||||||
斷電操作 | 帶手柄桿 | ||||||
重量 | ≈0.8kg | ||||||
產品顏色 | 黑色、奶白色(可定制其他顏色) | ||||||
機身材料 | ADC12 | ||||||
電氣原理
