HEM系列是合力技術團隊根據用戶需求和多年開發經驗研發生產的新一代多圈電動執行器。HEM系列可根據用戶需求生產多種型號,如基本型、智能型、總線型、智能分體式等多種形式,安全、穩定、可靠,可滿足各領域的不同應用場景。
HEM 系列多回轉電動執行機構不僅可用于調節閥、放空閥、截止閥等直行程閥門,在安裝部分回轉蝸輪箱后,還可用于蝶閥、球閥、旋塞閥等角行程閥門。
HEM 系列直接輸出扭矩范圍為 100N.m-3000N.m,輸出轉速范圍為 18rpm-144rpm,根據不同轉速和不同速比,配合電動專用蝸輪蝸桿減速箱可轉換更大、更多的扭矩要求。
HEM-摘要
多圈電動推桿
可用扭矩范圍為 100N.M 至 3000N.m。
可用轉速范圍為 18rpm 至 144rpm。
設計和控制有基本型、智能型、現場總線型和分離式控制箱可供選擇。
標準防護等級為 IP67,可選防護等級為 IP68、BT4/BT6、CT4/CT6。
適用于球閥、蝶閥、旋塞閥、閘閥、截止閥、止回閥和調節閥。
HEM-優勢
先進技術
運行可靠
重型電機
精確測量扭矩
連續位置跟蹤
實時閥門和執行機構性能信息
自動自檢和診斷
多功能機柜
易于維護
硬線控制和現場總線通信選項。
資產管理
非侵入式設置
用于遠程或本地控制的指令/模式選擇開關
紅外線遙控器進行設置和調試
閥門和執行器保護
階段監測
保護方向的改變
電機熱保護
扭矩保護
緊急停機保護
故障監控繼電器
密碼保護
故障警報指示
用戶界面友好,控制直觀
高分辨率 LCD 顯示屏(基本型除外)
本地信號
本地命令
用戶友好型菜單
特點
1.雙重密封
根據 GB/T4942.2-93 和 IP68(可選)標準,兩個 O 形圈可確保**的防水性能。
2.非侵入式設置
開/關/停按鈕和 LOC/OFF/REM 選擇開關,可在現場實現關閉和打開操作。
紅外線遙控器用于設置和通訊數據。
3.可旋轉的電氣艙和 LCD 顯示屏。
可旋轉帶 LCD 顯示屏的電氣艙,以適應執行機構的安裝。
可旋轉電纜入口方向,以滿足布線要求。
高分辨率顯示屏視野開闊,從遠處也清晰可見。
4.重型電機
松鼠籠電機,內置 135℃ 恒溫保護,低慣性設計,F 級絕緣。
5.位置測量
絕對位置編碼器輸出精確的位置信息并顯示在 LCD 上,不會因市電損失或任何干擾而導致位置丟失。
6.扭矩傳感器
扭矩傳感器可直接測量輸出扭矩,并將數值轉換為電壓信號。智能型扭矩可設置在額定扭矩的 40% 至 100% 范圍內,還可繞過扭矩開關。
7.傳動系統
傳動系統采用基本設計,具有簡單、可靠和堅固的特點,部件采用油潤滑,免維護。
8.防爆外殼(可選
符合 ExdIICT4 標準,大氣壓力范圍為 86Kpa 至 106Kpa,環境溫度范圍為 30℃ 至 60℃。
ExdIIBT4,ExdIIBT6,ExdIICT6 作為選項。
9.手輪和離合器按鈕
緊急情況或試運行時,按下紅色離合器按鈕可實現手輪操作。
模型含義

技術規格
智能型
標準規格 | 扭矩 | 100-3000Nm(帶蝸輪蝸桿減速箱) | |
輸出速度 | 18-144(rpm) | ||
環境溫度 | -30℃-70℃(可選-40℃-70) | ||
抗震性 | 符合 JB/T8219 標準 | ||
噪音等級 | 1 米內小于 70u8 | ||
電纜入口 | 2XNPT 3/4 pluslXNpT3/4 | ||
外殼保護 | 標準 IP68,選配 IP68 | ||
安裝底座 | 符合 J82920(爪式)或 IS05210(推力或扭矩) | ||
技術規格 | 電機額定值 | Ctass F,帶 150℃熱保護裝置 | |
額定負載 | 開-關:S2-15 分鐘,小于 600 次啟動/小時 | ||
調制:S4-50%,啟動次數少于 600 次/小時 | |||
選項:1200 次啟動/小時 | |||
電壓 | 三相: AC380V(±10%);500HZ(±5%)三相三線制 | ||
AC220V、AC415V 和其他電壓(可選 | |||
現場總線控制 | Modbus、Profibus(選配);Hart | ||
ON-OFF | 控制信號 | 開-關信號(干觸點,24V,220V,可在寸動和保持之間切換) | |
反饋信號 | 6 個繼電器觸點(5 個狀態繼電器 +1 個故障繼電器) | ||
1 x 模擬反饋:4-20mA,輸出阻抗:≤750X2(標配 4~20mA;可選 0-10V、2~10V) | |||
調制 | 控制信號 | 開-關信號(干觸點,24V,220V,可交換寸動和保持) | |
模擬信號:4~20mA,輸入阻抗:65Q;(可選 0~10V、2~10V) | |||
反饋信號 | 6 個繼電器觸點(5 個狀態繼電器+1 個故障繼電器) | ||
1 x 模擬反饋:4~20mA,輸出阻抗:≤7500(4-20m4 標準;0-10V、2-10V 為可選項) | |||
盲區 | 0.3-9.9% 在全中風范圍內調整 | ||
極性 | 是 | ||
信號丟失行動 | 是 | ||
運行模式 | 說明 | LED 顯示屏 | |
打開/關閉/遙控/故障指示燈(數字顯示位置和扭矩的百分比) | |||
菜單操作 | 遙控器或選擇開關 | ||
配置設置(位置、狀態反饋、**扭矩) | |||
地方控制 | 指令選擇開關(開/關/停) | ||
模式選擇開關(LOC/REIM/OFF) | |||
數據記錄器和診斷 | 進入故障診斷的紅外遙控器套裝菜單 | ||
其它 | 功能 | 自動相位校正(僅限 3PH)/警報(本地和遠程) | |
扭矩保護/電機熱保護/旁路扭矩開關 | |||
空間加熱器/ESD 設置(打開、關閉、保持) | |||
平均扭矩 | |||
紅外線遙控器 | |||
選項 防爆型 intrared 遠程控制 | |||
基本類型
標準規格 | 扭矩 | 100-3000Nm(無蝸輪蝸桿減速箱) | |
輸出速度 | 18-144 (rpm) | ||
環境溫度 | -30℃-70℃ | ||
抗震性 | 符合 JB/T8219 標準 | ||
噪音等級 | 1 米內小于 7 分貝 | ||
電纜入口 | 2xNPT3/4 pus 1xNPT3/4 | ||
輻射防護 | 標配 IP67,選配 IP68(72 小時水下 15 米無泄漏) | ||
安裝底座 | 符合 JB2920(爪式)或 ISO5211(推力、扭矩)標準 | ||
技術規格 | 電機額定值 | F 級,150℃ 電機熱保護。 | |
額定負載 | 開-關,S2-15 分鐘,低于 600 次啟動/小時 | ||
電壓 | 三相: AC380V(±10%)/50Hz(5%) 三相導線 | ||
選項:1PH AC220V | |||
現場總線控制 | 無 | ||
開-關 | 控制信號 | ON-OFF,內置觸點,額定值為 5A@250VAC | |
反饋信號 | 正常打開/正常關閉(干式控制器) | ||
打開扭矩開關/關閉扭矩開關(干觸點) | |||
選項:帶電位器 | |||
運行模式 | 說明 | 箭頭 | |
菜單操作 | 無 | ||
地方控制 | 無 | ||
數據記錄儀和診斷儀 | 無 | ||
其它 | 功能 | 空間加熱器 | |
扭矩保護 | |||
電機熱保護 | |||
選購件 防爆紅外線遙控器 | |||
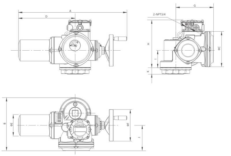
外形尺寸(基本類型)

型號 | A | B | φC | D | φE | φF | G | H | I | J | K | 重量 (Kg) | ||
類型 Z 型法蘭 | 類型 T 型法蘭 | |||||||||||||
HEM10 | 569 | 294 | 222 | 293 | 105 | 125 | 219 | 290 | 108 | 160 | 0 | 60 | 20 | |
HEM15 | 569 | 294 | 222 | 293 | 105 | 125 | 219 | 290 | 108 | 160 | 0 | 60 | 20 | |
HEM20 | 682 | 332 | 222 | 360 | 135 | 200 | 235 | 300 | 108 | 160 | 41 | 60 | 38 | |
HEM30 | 682 | 332 | 222 | 360 | 135 | 200 | 235 | 300 | 108 | 160 | 41 | 60 | 38 | |
HEM40 | 682 | 332 | 222 | 360 | 135 | 200 | 235 | 300 | 108 | 160 | 41 | 60 | 38 | |
HEM50 | 732 | 387 | 222 | 404 | 155 | 200 | 261 | 305 | 114 | 165 | 41 | 60 | 54 | |
HEM60 | 732 | 387 | 222 | 404 | 155 | 200 | 261 | 305 | 114 | 165 | 41 | 60 | 54 | |
HEM80 | 732 | 387 | 222 | 404 | 155 | 200 | 261 | 305 | 114 | 165 | 41 | 60 | 54 | |
HEM90 | 732 | 387 | 222 | 404 | 155 | 200 | 261 | 305 | 114 | 165 | 41 | 60 | 54 | |
HEM100 | 855 | 445 | 222 | 519 | 226 | 247 | 287 | 355 | 165 | 165 | 0 | 125 | 145 | |
HEM150 | 855 | 445 | 222 | 519 | 226 | 247 | 287 | 355 | 165 | 165 | 0 | 125 | 145 | |
HEM200 | 855 | 445 | 222 | 519 | 226 | 247 | 287 | 355 | 165 | 165 | 0 | 125 | 145 | |
HEM300 | 855 | 445 | 222 | 519 | 226 | 247 | 287 | 355 | 165 | 165 | 0 | 125 | 145 | |